热门关键词: 高清网络套装 网络摄像机 人脸识别 门禁 硬盘录像机

产品中心

以视频为核心,全系智能物联产品

15寸室内外护罩

15寸室内外护罩

产品型号:ZN-2015-(K)(H)(S)(W)

应用场景:适配于室内外需要装配护罩的摄像机。
产品详情咨询

* 同一型号产品可能有多个版本,不同版本的产品会存在差异(包括功能参数、LOGO设计、外观细节、产品资料等),请以实物为准。建议您在购买前就您将要购买的具体版本进行详细咨询。

产品概述
产品规格表
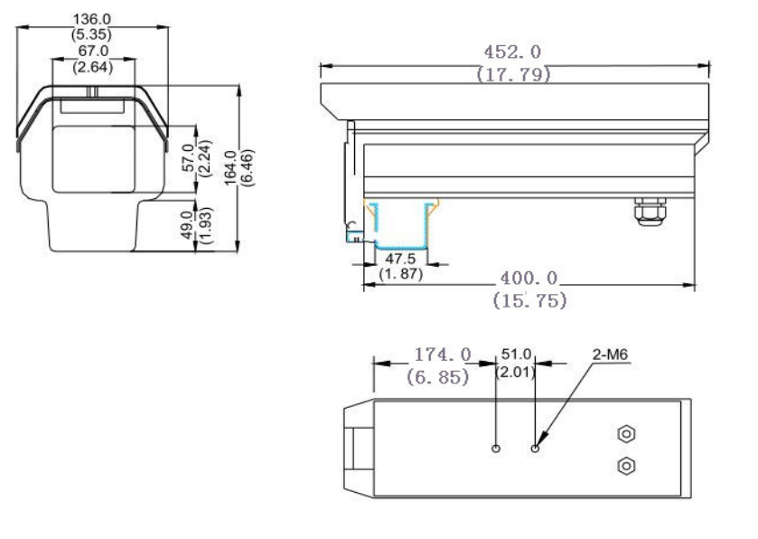
外形尺寸

订货型号

ZN-2015-(K)(H)(S)(W)

产品特点

全天候环境设计,室内外安装,IP66防护等级

高透光率光学视窗玻璃、无畸变、特殊光学镀膜

适配云台安装,并可单独固定安装

可以安装短焦镜头和一体化摄像机

顶部开盖式设计,方便顶载安装仓内设备

可配加热器、风扇、主视窗雨刷、遮阳罩

适用场景

适配于室内外需要装配护罩的摄像机。


技术规格

          名称型号

参数指标

15寸室内外护罩

ZN-2015-(K)(H)(S)(W)


尺寸大小

15寸

电源供应

24VAC±10%;220VAC±10%

电源功率

加热:25W   风扇:3W

加热

加热开:8°±5°  关:20°±5°(风扇同时运转)

风扇

37°±5° 关:20°±5°

材料

主体:铝合金;视窗:透明玻璃;锁扣:不锈钢

护罩外型尺寸(mm)

452(L)×136(W)×164(H)

最大摄像机/镜头尺寸(mm)

250(L)×90(W)×72.5(H)

视窗面积(mm)

67(W)×57(H)

重量

2.6kg

工作环境

温度-35℃~+65℃;湿度﹤90%RH

防护等级

IP66


安装环境

室内室外

选配器材

加热器、风扇、遮阳伞、雨刷器


尺寸图

image.png

0571-28183999